Belmash Фреза пазовая BELMASH 160х32х8 мм
Артикул: RF0042T
- Описание
- Характеристики
Фреза пазовая дисковая BELMASH 160х32х8 мм
Специализированная дисковая фреза BELMASH для профессиональной выработки прямоугольных пазов, выборки четвертей и продольного фрезерования древесины. Оснастка обеспечивает чистый рез и стабильную работу на деревообрабатывающих станках.
Технологические особенности
-
Форма зуба FTG (Flat Top Grind): Конструкция с плоской вершиной зуба формирует идеально ровное основание паза, исключая необходимость дополнительной доработки.
-
Антикоррозийная защита: Гальваническое никель-фосфорное покрытие корпуса предотвращает появление ржавчины и снижает трение при работе с вязкой древесиной.
-
Гибкость установки: Наличие переходного кольца 32/30 мм в комплекте позволяет использовать фрезу на оборудовании с различными диаметрами валов.
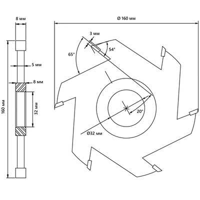
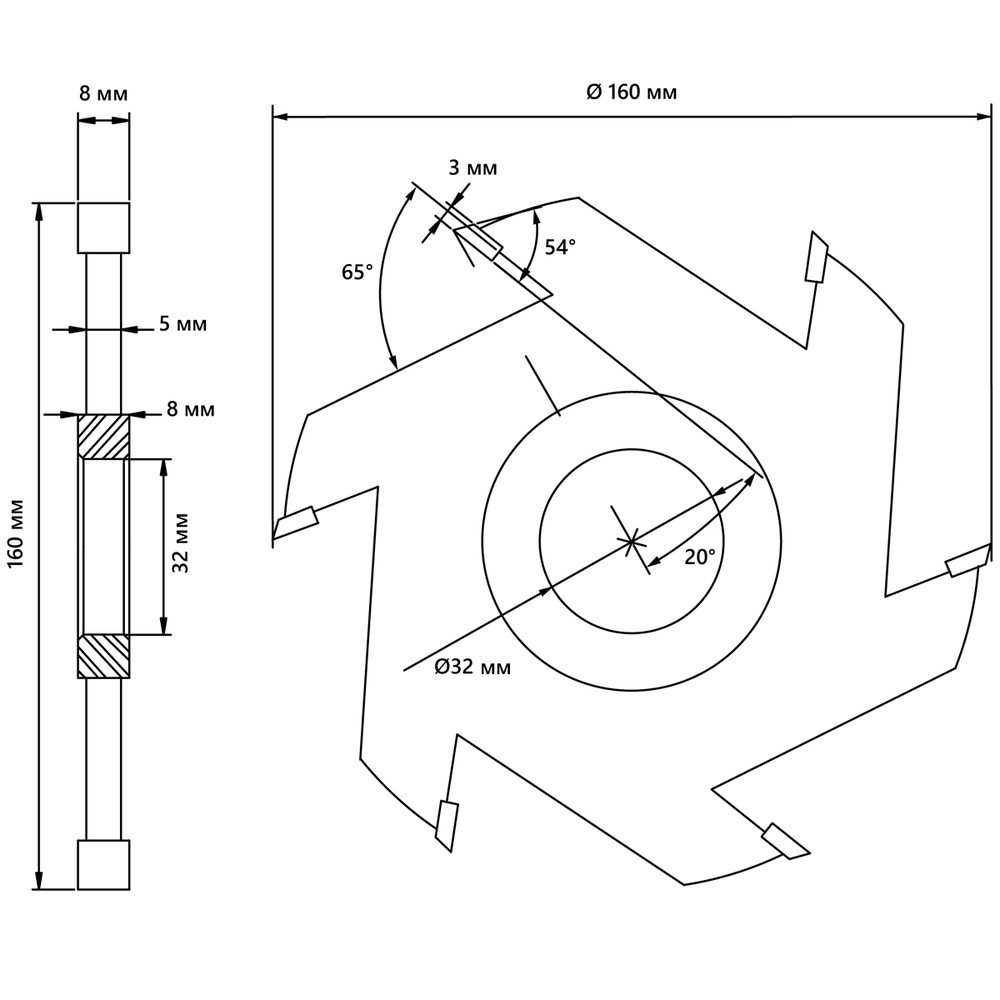
Технические характеристики
| Параметр | Значение |
| Внешний диаметр | 160 мм |
| Ширина пропила (паза) | 8 мм |
| Посадочный диаметр | 32 мм (+ кольцо на 30 мм) |
| Форма зуба | FTG (плоский) |
| Макс. частота вращения | 6200 об./мин. |
| Суммарная ширина посадки | 13 мм |
| Упаковка | Пластиковый пенал |
Инструкция по безопасности
-
Перед заменой оснастки обязательно обесточьте станок.
-
Устанавливайте фрезу строго по направлению вращения режущих зубьев.
-
Используйте защитные перчатки во время монтажа для предотвращения травм.
-
Применяйте фрезу только на оборудовании, поддерживающем данные технические параметры.
Характеристики
| Диаметр D | 160 мм |
| Посадочный диаметр d | 32/30 мм |
| Ширина пропила | 8 мм |
| Форма зуба | FTG |
| Масса в упаковке | 0.67 кг |
Отзывы










Выгодные комплекты
Циркулярные пилы
Фуговальные станки
Ленточнопильные станки по дереву
Рейсмусовые станки
Шлифовальные станки
Токарные станки по дереву
Фрезерные станки
Пылесосы, стружкоотсосы
Фуговально-рейсмусовые станки
Долбежно-Пазовальные станки
Брашировальные станки
Торцовочные пилы
Лобзики электрические
Комбинированные станки
Сверлильные станки по дереву
Кромкооблицовочные станки
Устройства подачи
Режущий инструмент по дереву
Системы фильтрации воздуха
Аксессуары
Журнал WOOD-МАСТЕР
Клеи, масла, воски, лаки
Выгодные комплекты
Ленточнопильные станки
Сверлильные станки
Фрезерно-сверлильные станки
Фрезерные станки по металлу
Токарные станки
Режущий инструмент
Сопутствующие товары
Точильные (заточные) станки
Труборезы и отрезные дисковые пилы
Шлифовальные станки
Плоскошлифовальные станки
Долбежные станки
Фальцепрокатные станки
Рычажные ножницы по металлу
Трубогибы и Профилегибы
Прессы для металла
Зачистные станки
Магнитные сверлильные станки
Цифровая индикация (DRO)
Вальцовочные станки
Гильотинные ножницы
Зиговочные станки
Листогибы
Комбинированные станки для обработки листа
Станки для формовки металла
Станки для производства воздуховодов
Угловысечные станки
Разматыватели рулонов
Кузнечное оборудование
Роликовые опоры (Рольганги)
Фаскосниматели
Станки для конусования труб
Тиски
Струбцины и зажимы
Измерительный инструмент
Степлеры
Зажимы
Резцы для токарных работ
Стамески
Резцы для ручной резки
Верстаки
Средства индивидуальной защиты
Губцевый инструмент
Кусачки, бокорезы
Наборы инструментов
Инструмент для заточки
Ящики и сумки для инструмента
Молотки, киянки
Ножовки
Кондукторы
Гвоздодеры, монтировки
Приспособления для соединения
Газовое оборудование
Кувалды и топоры
Напильники, надфили
Рубанки
Отвертки
Биты
Прочее
Ножницы по металлу ручные
Ножи
Шлифовальные системы DE-TERO
Шлифовальные ленты
Шлифовальные круги на липучке
Шлифовальные втулки
Шлифовальные диски на велкро-подложке
Токарные резцы по металлу
Концевые фрезы
Сверла по металлу
Фрезы по металлу
Присадочные сверла
Корончатые сверла
Наборы сверл, фрез и резцов
Приспособления и переходники
Сверла диаметром до 10 мм
Резцы для ручной резки
Металлообработка
для Ленточных пил
для Сверлильных
Пружины
для Фрезерных станков
для Токарных станков
для Шлифовальных станков
Деревообработка
для Рейсмусов
для JWP-12
для Ленточных пил
для Фуганков
для Торцовочных пил
для Циркулярных пил
для Шлифовальных станков
для Токарных станков
для Фрезеров
для Лобзиков
для Фуговально-Рейсмусовых
для Сверлильных
для Форматно-Раскроечных станков
для Систем фильтрации
Смазочные шприцы
Шприцы перекачные
Расходомеры
Насосы
Масленки
Нагнетатели смазки
Запчасти, аксесуары
Весы
Рольганги (роликовые опоры)
Каретки для тали, подвижные тип GT
Тали электрические
Электрокаретка тип WRT
Тали стационарные тип SMHA
Тали рычажные
Лебедки
Принадлежности для грузоподъемного оборудования
Домкраты гидравлические
Каретка для тали тип PT (холостая)
Фрезерные и пильные столы
Оснастка для электроинструмента
Пилы циркулярные и погружные
Дрели и Шуруповерты
Пылесосы
Шлифовальные машинки
Полировальные машинки
Фрезера
Рубанки
Перемешиватели
Зачистные фрезеры и шлифмашины
Лобзики
Дюбельные фрезеры DOMINO
Многофункциональный инструмент
Кромкооблицовочные машины
Организация рабочего места
Угловые шлифовальные машины
Пилы цепные
Стабилизаторы напряжения
Электростанции
Фонари, лампы
Клеевые пистолеты
Концевые фрезы по дереву
Наборы фрез
Компрессоры
Шпилькозабиватели пневматические
Принадлежности для пневмоинструмента
Скобозабивные пистолеты пневматические
Гвоздезабивные пистолеты пневматические