
S015A
Артикул: RF0020T
Профессиональная дисковая фреза BELMASH предназначена для формирования пазов, выборки четвертей и фрезерования заготовок из любых пород древесины. Конструкция позволяет эффективно работать как вдоль, так и поперек волокон.
Тип зуба FTG + подрезающие зубья: Основной зуб шириной 10 мм формирует ровное дно паза, а подрезающие зубья (6,5 мм) обеспечивают чистоту боковых стенок без сколов.
Защитное покрытие: Никель-фосфорная гальваническая обработка корпуса надежно защищает инструмент от коррозии и смолистых отложений.
Обслуживание: Конструкция допускает переточку по рабочей поверхности зубьев при строгом сохранении заводского переднего угла.
| Параметр | Значение |
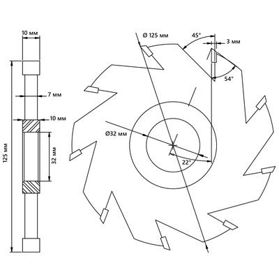
| Внешний диаметр | 125 мм |
| Ширина паза | 10 мм |
| Посадочный диаметр | 32 мм (+ кольцо на 30 мм) |
| Форма основного зуба | FTG (плоский) |
| Макс. частота вращения | 6200 об./мин. |
| Ширина посадки (суммарно) | 14 мм |
| Упаковка | Пластиковый пенал |
Для корректного монтажа в зависимости от типа оборудования требуются дополнительные кольца:
Серия TS-250R и LTS-250: переходное кольцо 32х8х15,875.
Многофункциональные станки: переходное кольцо BELMASH 32/30 (8 мм).
Всегда отключайте станок от электросети перед заменой фрезы.
Строго соблюдайте направление вращения согласно ориентации зубьев.
Используйте защитные перчатки для монтажа оснастки.
Убедитесь, что параметры фрезы соответствуют техническим данным вашего оборудования.
| Диаметр D | 125 мм |
| Посадочный диаметр d | 32/30 мм |
| Форма зуба | FTG |
| Масса в упаковке | 0.6 кг |
Отзывы